Вернуться к обзору

Tetra Therm

Tetra Therm Lacta C8

Ассортимент
Теплообменники
Категория
Пластинчатые теплообменники
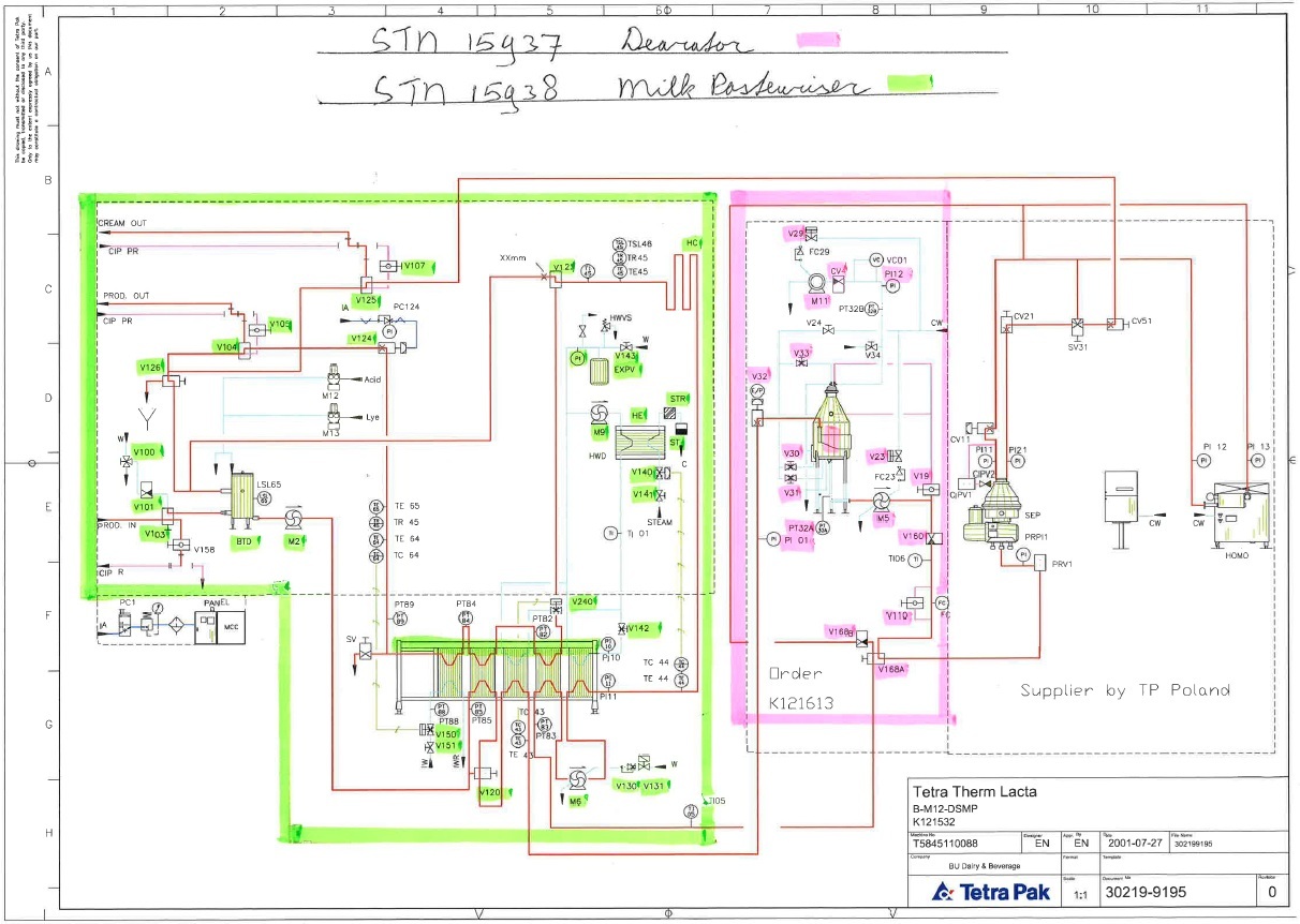
Номер на складе
STN15938
Тип
Lacta C8
Год постройки
2001
Мощность
12.000 liter per hour
Milk pasteuriser skid mounted, Model Tetra Therm lacta with balance tank, pumps (1 x flushed seal), holding and Alfa Laval C8-SR plate heat exchanger, 4 sections, thermal cycle 4-55 (out separator)-65 (out deaerator)-75 (holding)-4°C. P&ID and documentation: electrical diagram included. Dimensions skid: 250x110x300 (lxwxh) cm weight: 605 kg - plate heat exchanger weight: 1.571 kg.

Может ли LDFE помочь мне с установкой?

Да, при желании наши механики могут установить оборудование у вас. Кроме того, мы можем предложить помощь на расстоянии, предоставляя инструкции посредством видеозвонка или дистанционного управления (если оно установлено).

Что означают условия «реновация», «в рабочем состоянии» и «как есть»?

Мы можем предложить оборудование в трех состояниях: «реновация», «в рабочем сосоянии» и «как есть». «Реновация» относится к полной ревизии подержанной машины, чтобы дать ей вторую жизнь. Наша стандартная процедура капитального восстановления:

  • Демонтаж полный
  • Замена всех изнашивающихся компонентов
  • Замена поврежденных или изношенных компонентов
  • Новая электропроводка, новое управление
  • Гарантия
  • Гарантированная поставка запасных частей на 5 лет
  • Дополнительно: контроль ввода в эксплуатацию и обучение операторов
  • Дополнительно: маркировка CE
  • Дополнительно: пользовательские модификации

Машина «в рабочем состоянии» машины - более дешевое решение. В этом состоянии мы не проводим капитальный ремонт машины, но делаем необходимые работы, чтобы привести машину в рабочее состояние. Машина проверена в нашей мастерской, и компоненты заменяются только при необходимости. Эта цена всегда зависит от условий, так как в ходе испытаний становится очевидным, что существует дорогостоящая неисправность. В этом случае покупатель получает предложение на дополнительные расходы, а также ему предоставляется возможность отменить покупку.

Машины почти всегда продаются с завода и могут быть развернуты в том же состоянии, в котором мы их купили: «как есть». Тем не менее, машина не была проверена нами, и нет никаких гарантий ее текущего состояния. Мы всегда рекомендуем проверять машину перед покупкой и покупать ее «как есть», если вы хорошо разбираетесь в машинах. Мы всегда можем сообщить вам, приобрели ли мы машину в рабочем состоянии или она уже выведена из эксплуатации. Документация не всегда включена и может быть предоставлена, только если она присутствовала на момент покупки.

Могу ли я доверять подержанным машинам?

Мы работаем с бывшими в употреблении машинами с 1996 года с того же места, где мы начинали бизнес и росли с каждым годом. Если возникает (небольшая) проблема, мы также пытаемся найти решение с нашими клиентами. Мы всегда были и остаемся надежным партнером благодаря нашему опыту работы с подержанной техникой.

Может ли LDFE также предложить новые машины?

Да, в частности, технологическое оборудование, такое как пастеризаторы, оборудование для стандартизации, установки CIP, установка UHT для сыра и т. д. Также возможна гибридная комплектация нового и после реновации.

Связаться с нами!

Контактная информация

+31(0)348-558080
info@lekkerkerker.nl

Адрес

Handelsweg 4
3411 NZ Lopik, The Netherlands

Часы работы

Пн-Чт: 07.30 - 17.00 UTC+1
Пт: 07.30 - 16.30 UTC+1